Напиши нова тема Отговори на тема  [ 57 мнения ]  Отиди на страница 1, 2, 3, 4  Следваща
Оборотомер ? 
Автор Съобщение
г-н Самотен
Аватар

Регистриран на: Понеделник, 20.10.2008 г. 16:23 ч.
Мнения: 91
Местоположение: stara zagora
Skype: ivanz_stz
Automobile: Trabant
Мнение Оборотомер ?
От къде се взима сигнал за оборотомера?
Оборотомера ми е от IFA,за модела незнам. :wink:


Прикачени файлове:
Image(257).jpg
Image(257).jpg [ 29.42 KiB | Прегледано 30234 пъти ]

_________________
усмивка за 2
Вторник, 23.12.2008 г. 15:02 ч.
Профил
Зеления миксер
Аватар

Регистриран на: Неделя, 10.02.2008 г. 23:09 ч.
Мнения: 214
Местоположение: Русе
Automobile: rennpappe
Мнение Re: оборотомер
Този оборотомер не е ли малък,смисал само до 3000хил.оборота е ? :|


Вторник, 23.12.2008 г. 22:53 ч.
Профил WWW
Знае всичко за двутактовите
Аватар

Регистриран на: Вторник, 05.02.2008 г. 23:26 ч.
Мнения: 2551
Местоположение: София
Skype: vasil166
Automobile: Trabant
Мнение Re: оборотомер
Ток се взима от +. От минус се взима сигнала...

_________________
МВ-7. Парапети, сенници, щори, слънчеви бойлери


Вторник, 30.12.2008 г. 10:12 ч.
Профил
Зеления миксер
Аватар

Регистриран на: Неделя, 10.02.2008 г. 23:09 ч.
Мнения: 214
Местоположение: Русе
Automobile: rennpappe
Мнение Re: оборотомер
Аз искам да питам(за да не отварям друга тема) може ли да се сложи оборотомер от тези които ги продават в топ спеед примерно,нищо,че пише че са за 4т ?


Неделя, 04.01.2009 г. 19:36 ч.
Профил WWW
Знае всичко за двутактовите
Аватар

Регистриран на: Вторник, 05.02.2008 г. 23:26 ч.
Мнения: 2551
Местоположение: София
Skype: vasil166
Automobile: Trabant
Мнение Re: оборотомер
Може. Просто при оборотомер от 4т 4-цилиндрова кола се взима ток от двете бобини с диоди.

_________________
МВ-7. Парапети, сенници, щори, слънчеви бойлери


Неделя, 04.01.2009 г. 19:37 ч.
Профил
Кара Wartburg 20 години.

Регистриран на: Събота, 09.02.2008 г. 15:41 ч.
Мнения: 137
Местоположение: София
Мнение Re: оборотомер
До колкото знам оборотомера работи с импулсите от бобината. При 4 тактовите 4 цилиндрови при 1 оборот има 2 искри или 2 импулса. При Трабанта също има за 1 оборот 2 искри или 2 импулса. При свързване на едната бубина ще има 1 импулс на оборот или ще показва наполовина вместо 3000 оборота 1500 оборота. Затова трябва от двете бубини да се свържат.


Неделя, 04.01.2009 г. 21:24 ч.
Профил
Долен и зъл ентусиаст
Аватар

Регистриран на: Събота, 16.02.2008 г. 14:26 ч.
Мнения: 227
Местоположение: Стара Загора
Мнение Re: оборотомер
Тоя оборотомер не е ли машина с дизелов двигател? Ако е така трудно ще го вържеш към бобина. Там май се взема сигнал от алтернатора и трудно ще се преправи да работи на Трабант.

_________________
http://www.vbox7.com/play:b720d575


Понеделник, 05.01.2009 г. 21:33 ч.
Профил
Начинаещ
Аватар

Регистриран на: Четвъртък, 19.02.2009 г. 14:26 ч.
Мнения: 10
Местоположение: Стара Загора
Skype: bqsniq0306
Мнение Re: Оборотомер ?
Аз имам обортомер от лада може ли някой подробно да ми обесни как да си го сваржа


Събота, 11.04.2009 г. 22:05 ч.
Профил
N.Paunov
Аватар

Регистриран на: Вторник, 17.06.2008 г. 19:22 ч.
Мнения: 148
Местоположение: Димитровград
Skype: nikola.paunov
Automobile: 5xTt 600;4xWt 311
Мнение Re: Оборотомер ?
Няма да е зле наистина, ако някой обясни точно как да се свърже. :?:


Събота, 11.04.2009 г. 23:02 ч.
Профил
Знае всичко за двутактовите
Аватар

Регистриран на: Вторник, 05.02.2008 г. 23:26 ч.
Мнения: 2551
Местоположение: София
Skype: vasil166
Automobile: Trabant
Мнение Re: Оборотомер ?
За 999 път обяснявам. Плюс взимате от черния кабел на бобините. Маса - от където ви падне. Сигнал се взима с два диода, които излизат от минусите на бобините и се събират в един кабел към оборотомера. Диодите трябва да са с еднаква посока, точната посока незнам, но ако и двата са на обратно просто не работи.

_________________
МВ-7. Парапети, сенници, щори, слънчеви бойлери


Събота, 11.04.2009 г. 23:46 ч.
Профил
Начинаещ
Аватар

Регистриран на: Четвъртък, 19.02.2009 г. 14:26 ч.
Мнения: 10
Местоположение: Стара Загора
Skype: bqsniq0306
Мнение Re: Оборотомер ?
мерси :D


Събота, 11.04.2009 г. 23:49 ч.
Профил
Научи се как се сипва масло
Аватар

Регистриран на: Четвъртък, 09.04.2009 г. 23:51 ч.
Мнения: 45
Местоположение: Бургас
Skype: vromos_rasing
Мнение Re: Оборотомер ?
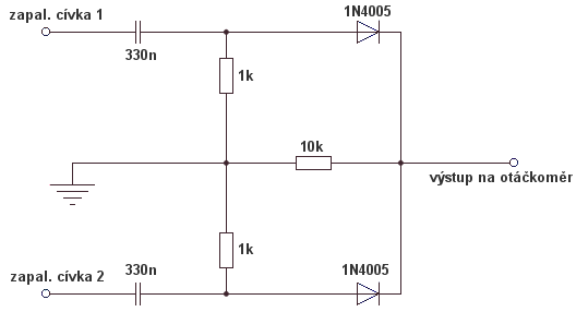
Прикачвам схема по която съм свързал моя ладов оборотомер и работи :)


Прикачени файлове:
otackomer.gif
otackomer.gif [ 4.83 KiB | Прегледано 33916 пъти ]
Понеделник, 13.04.2009 г. 16:48 ч.
Профил
Вече прави дребни ремонти

Регистриран на: Понеделник, 11.02.2008 г. 18:53 ч.
Мнения: 118
Местоположение: София
Мнение Re: Оборотомер ?
vromos написа:
Прикачвам схема по която съм свързал моя ладов оборотомер и работи :)

Благодаря за схемата! Преди празниците един приятел ми налепи експериментално (хвърчащ монтаж) елементите и оборотомера от 2107 заработи. Спокойно, без да трепти, реагира и при рязко подаване на газ, и при постепенно увеличаване на оборотите. Остава да го сверя, за да съм сигурен в показанията.

Още веднъж - Благодаря!!!


Вторник, 05.01.2010 г. 14:11 ч.
Профил
Ентусиаст
Аватар

Регистриран на: Вторник, 26.02.2008 г. 20:29 ч.
Мнения: 550
Местоположение: Пазарджик
Skype: j_totkow
Automobile: много ясно - трабант
Мнение Re: Оборотомер ?
Добре аз имах 3 оборотомера и 3-те ги връзвах (поотделно, за да ги пробвам) на 1 бобина и показваха нещо чак тогава, когато ги поставях легнали с циферблата да гледа към небето, а като ги изправя както са в ладата не помръдва стрелката (има един потенциометър на оборотомерите, въртял съм го и него и нищо не става пак)
Слагах и на 2 бобини с некви диоди и пак така.
На тая схема има някакви кондензатори, ала бала.....
Колега я кажи точно какво върза, какви диоди купи, че много хора ми обясняваха, ама сигурно щото съм бавен или де да знам, но не става (ако може и да го снимаш при бобините) [smilie=2beers]

_________________
http://totkow.blogspot.com/


Вторник, 05.01.2010 г. 14:32 ч.
Профил
Вече прави дребни ремонти

Регистриран на: Понеделник, 11.02.2008 г. 18:53 ч.
Мнения: 118
Местоположение: София
Мнение Re: Оборотомер ?
Диодите са 1N4007 - такива имаше колегата. Те са за по-голямо напрежение.
Кондензаторите са с по-голям капацитет. Понеже нямаше с такава стойност - 330n, лепна по два и сумарно стойността им стана по-голяма, но точно колко - не знам.
Довечера ще го снимам и утре ще кача снимките.


Вторник, 05.01.2010 г. 15:58 ч.
Профил
Покажи мненията от миналия:  Сортирай по  
Напиши нова тема Отговори на тема  [ 57 мнения ]  Отиди на страница 1, 2, 3, 4  Следваща


Кой е на линия

Потребители разглеждащи този форум: 0 регистрирани и 1 госта


Вие не можете да пускате нови теми
Вие не можете да отговаряте на теми
Вие не можете да променяте собственото си мнение
Вие не можете да изтривате собствените си мнения
Вие не можете да прикачвате файл

Търсене:
Иди на:  
cron
Цени на горивата от www.lukoil.bg:

Powered by phpBB © phpBB Group.
Designed by Vjacheslav Trushkin for Free Forum/DivisionCore.
Преведено от: SEO блог на Йоан Арнаудов