Напиши нова тема Отговори на тема  [ 6 мнения ] 
Разходомер 
Автор Съобщение
Кандидат-фен
Аватар

Регистриран на: Събота, 09.02.2008 г. 02:06 ч.
Мнения: 326
Skype: kolestral
Automobile: Wartburg 353
Мнение Разходомер
Откакто имам Вартубрг се опитвам да си направя разходомера да работи, но без особен успех. Когато си купих първия Вартбург разходомера му не работеше, смених му турбинката и проработи, но само за известно време, след което пак се развали. В момента имам може би 4-5 турбинки, 3 броя светлинни уреди за таблото и 2 Вартбурга. Пробвал съм всякакви възможни комбинации между тях, но без резултат. Докато карам, без значение колко газ съм подал, на разходомера свети само първата лампичка и втората съвсем бледо. След толкова сменени турбинки реших че проблема може да е в светлинните уреди на таблото и ги разглобих. Направи ми впечатление, че и на 3-те уреда този резистор който съм оградил на снимката се е "изпекъл". От изгорялото не мога да прочета маркировката. Някой има ли идея колко ома е?


Прикачени файлове:
S2023092.JPG
S2023092.JPG [ 71.48 KiB | Прегледано 8794 пъти ]

_________________
GameOn
Събота, 15.11.2008 г. 21:01 ч.
Профил WWW
Луд с картечница
Аватар

Регистриран на: Събота, 02.02.2008 г. 13:04 ч.
Мнения: 455
Местоположение: Густо майна, Филибето!...
Мнение Re: Разходомер
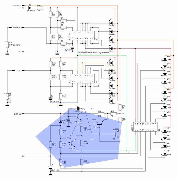
Колко е точно - не знам, ама можеш да си го проследиш сам :) Извинявай за ниското качество, ама нямам по-хубава.


Прикачени файлове:
kmva_plan.jpg
kmva_plan.jpg [ 46.39 KiB | Прегледано 8933 пъти ]

_________________
Hard to the core ! [smilie=2beers]
Събота, 15.11.2008 г. 21:20 ч.
Профил
Кандидат-фен
Аватар

Регистриран на: Събота, 09.02.2008 г. 02:06 ч.
Мнения: 326
Skype: kolestral
Automobile: Wartburg 353
Мнение Re: Разходомер
Благодаря много. Това би трябвало резистора R40(най-горе в ляво)

_________________
GameOn


Понеделник, 17.11.2008 г. 13:09 ч.
Профил WWW
Научи се как се сипва масло

Регистриран на: Понеделник, 18.02.2008 г. 18:41 ч.
Мнения: 37
Местоположение: Велико Търново
Мнение Re: Разходомер
Ами може да е изгоряла интегралната схема A277D смени я със UAA180
все пак може и други повреди да има. Аз на моя кат я смених проработи, бачкаше няколко месеца след това почнаха да светят как си искат светодиодите. Но от време на време се случва да се оправят. Имаше някаква особеност със захранването, че работи само като е включено в колата. Иначе ако го оправиш може да си смениш последните 2 светодиода, сложи червени вместо жълтите. Става по яко :)


Понеделник, 17.11.2008 г. 19:30 ч.
Профил
Вече прави дребни ремонти
Аватар

Регистриран на: Неделя, 10.02.2008 г. 21:27 ч.
Мнения: 134
Местоположение: Русе
Мнение Re: Разходомер
И аз така си мисля , защото за да нагаря така резистора има нещо изгоряло преди него. Най-вероятно да изгаря интеграла.
Според мене ... така и така го отваряш това нещо редовно .... направи го пропорционално на оборотите , а не на миналия бензин. Хем по-полезно , хем по просто и ремонтно пригодно : )))

_________________
Изображение


Понеделник, 17.11.2008 г. 21:58 ч.
Профил
Кандидат-фен
Аватар

Регистриран на: Събота, 09.02.2008 г. 02:06 ч.
Мнения: 326
Skype: kolestral
Automobile: Wartburg 353
Мнение Re: Разходомер
Благодаря за съветите. Ще пробвам да сменя интегралната схема и дано оправя поне единия от уредите. Нямам представа как да го направя да работи пропорционално на оборотите, но ще се радвам да си работи и както си е предвидено. На всеки който се качи в колата трябва да му обяснявам какво е това и защо не работи :D Иначе 353 е прав за червените светодиоди. Единия от уредите ми оригинално на разходомера си е с 5 зелени, 4 оранжеви и 3 червени и изглежда по-добре......когато работи

_________________
GameOn


Вторник, 18.11.2008 г. 02:40 ч.
Профил WWW
Покажи мненията от миналия:  Сортирай по  
Напиши нова тема Отговори на тема  [ 6 мнения ] 


Кой е на линия

Потребители разглеждащи този форум: 0 регистрирани и 1 госта


Вие не можете да пускате нови теми
Вие не можете да отговаряте на теми
Вие не можете да променяте собственото си мнение
Вие не можете да изтривате собствените си мнения
Вие не можете да прикачвате файл

Търсене:
Иди на:  
cron
Цени на горивата от www.lukoil.bg:

Powered by phpBB © phpBB Group.
Designed by Vjacheslav Trushkin for Free Forum/DivisionCore.
Преведено от: SEO блог на Йоан Арнаудов