| Автор |
Съобщение |
|
ki6o
Научи се как се сипва масло
Регистриран на: Събота, 09.02.2008 г. 23:27 ч. Мнения: 35 Местоположение: Нова Загора
|
 Wartburg 353 W
Здравейте колеги, в тази тема ще ви покажа моя вартбург 353 произведен 1988г. собственост на покоиния ми вече дядо. Колата измина дълъг път от 2007 година до сега. Направиха се много ремонти както по купето така и по двигателя. Ето и малко характеристики: на 65 000 километра от завод (стояла дълго време на село) след основен ремонт на двигателя и пълна реставрация на купето. Надявам се да ви хареса!  Снимките са разбъркани но ще ви дадат представа за работата вложена в колата  ПОЗДРАВИ Кристиян от Нова Загора http://kishuto.snimka.bg/automobiles/wartburga.468128
Последна промяна ki6o на Петък, 29.01.2010 г. 22:19 ч., променена общо 1 път
|
| Петък, 29.01.2010 г. 22:13 ч. |
|
 |
|
Wartburgman
Кара стар Wartburg
Регистриран на: Петък, 26.12.2008 г. 18:00 ч. Мнения: 293 Местоположение: Пловдив
Automobile: Wartburg-353
|
 Re: Wartburg 353 W
Много е готин колега цветът е страхотен от каква кола са ти броните
|
| Петък, 29.01.2010 г. 22:58 ч. |
|
 |
|
Reiko
Wing Tsun Fighter
Регистриран на: Понеделник, 19.01.2009 г. 17:15 ч. Мнения: 225 Местоположение: Пловдив
|
 Re: Wartburg 353 W
Еха. Този Вартбург много радва окото.
_________________ Нормалните хора вярват, че ако нещо не работи, значи не е направено добре. Инженерите вярват, че ако нещо не работи, просто още не е довършено.
|
| Петък, 29.01.2010 г. 23:05 ч. |
|
 |
|
popov353w
Оня с бегачката
Регистриран на: Сряда, 29.04.2009 г. 17:59 ч. Мнения: 82 Местоположение: Пазарджик
Skype: popov1300
Automobile: Wartburg 1.3
|
 Re: Wartburg 353 W
Колега значи искам да те попитам някои работи, значи видях че оборотомера ти е от лада и аз имам такъв но незная как да го свържа ако може да ми кажеш как си го вързал, другият ми въпрос е от каква кола е бронята. Иначе вартбурга ти е страхотен. ![2beers [smilie=2beers]](./images/smilies/2beers.gif)
_________________ На него му викат: Оня с бегачката
|
| Петък, 29.01.2010 г. 23:10 ч. |
|
 |
|
ki6o
Научи се как се сипва масло
Регистриран на: Събота, 09.02.2008 г. 23:27 ч. Мнения: 35 Местоположение: Нова Загора
|
 Re: Wartburg 353 W
Ами колега броните са си от Вартбург 1.3 (от Ивака ![2beers [smilie=2beers]](./images/smilies/2beers.gif) ) . Оборотомера съм го вързал за двете бобини и после с 2 диода вързани 2 към 1 и от там кабел към оборотомера, ама се колебае и някои път не отчита правилно ![2beers [smilie=2beers]](./images/smilies/2beers.gif)
|
| Петък, 29.01.2010 г. 23:16 ч. |
|
 |
|
Ivaka
Regular User
Регистриран на: Събота, 09.02.2008 г. 02:12 ч. Мнения: 1090 Местоположение: Stara Zagora
Automobile: Wartburg 353S
|
 Re: Wartburg 353 W
Евала на Кристиян, добре го е стегнал ханса. Машината съм я виждал на живо, помагал съм със съвети и части, а откакто му пипнах центровката и карбуратора вече освен че вади вид, и върви много прилично 
|
| Събота, 30.01.2010 г. 02:05 ч. |
|
 |
|
ki6o
Научи се как се сипва масло
Регистриран на: Събота, 09.02.2008 г. 23:27 ч. Мнения: 35 Местоположение: Нова Загора
|
 Re: Wartburg 353 W
|
| Събота, 30.01.2010 г. 12:26 ч. |
|
 |
|
Ivaka
Regular User
Регистриран на: Събота, 09.02.2008 г. 02:12 ч. Мнения: 1090 Местоположение: Stara Zagora
Automobile: Wartburg 353S
|
 Re: Wartburg 353 W
Ти взе ли книжката вече? Що не наминеш към зарата с машината да се видим?
|
| Събота, 30.01.2010 г. 14:47 ч. |
|
 |
|
ki6o
Научи се как се сипва масло
Регистриран на: Събота, 09.02.2008 г. 23:27 ч. Мнения: 35 Местоположение: Нова Загора
|
 Re: Wartburg 353 W
|
| Събота, 30.01.2010 г. 15:33 ч. |
|
 |
|
Ivaka
Regular User
Регистриран на: Събота, 09.02.2008 г. 02:12 ч. Мнения: 1090 Местоположение: Stara Zagora
Automobile: Wartburg 353S
|
 Re: Wartburg 353 W
Тоя форум е много зле... - по адрес на разни кочини спрени от движение, без номера и с неплащани данъци се сипят редица коментари от сорта на "супер е" или "бахти запазената кола", а на коли като тази дето собственика си е счупил ръцете от работа по нея всеки се прави че не ги забелязва....
|
| Неделя, 31.01.2010 г. 00:50 ч. |
|
 |
|
romel_melkus
Начинаещ
Регистриран на: Събота, 04.10.2008 г. 13:38 ч. Мнения: 5 Местоположение: София
Automobile: вартбург 353
|
 Re: Wartburg 353 W
Колата имах възможност да я видя лично на събора, май месец миналата година и мога да кажа, че наистина автомобила изглежда много добре на вид (външен и вътрешен), радва окото.Виждаше се, че в автомобила наистина е вложен много труд и желание. Може би ако се сложат едни калобрани на колата, ще изглежда още по-добре, но това, той си решава. Да имаш много без аварийни километри с вартбурга (и в шофьорската си практика като цяло).Евала за волята и труда!
|
| Неделя, 31.01.2010 г. 01:11 ч. |
|
 |
|
ki6o
Научи се как се сипва масло
Регистриран на: Събота, 09.02.2008 г. 23:27 ч. Мнения: 35 Местоположение: Нова Загора
|
 Re: Wartburg 353 W
Мерси колега  виж за калобраните не съм се сетил ама може да сложа мерси отново 
|
| Неделя, 31.01.2010 г. 01:19 ч. |
|
 |
|
Atanas
Научи се как се сипва масло
Регистриран на: Неделя, 02.03.2008 г. 00:09 ч. Мнения: 41
|
 Re: Wartburg 353 W
Браво колега , добра работа си свършил 
_________________ Наказание на Позьор с БМВ http://vbox7.com/play:ef592244 след втората гонка си тръгна ревешката. Обещавам повече да не правя така.
|
| Неделя, 31.01.2010 г. 22:46 ч. |
|
 |
|
starter
Начинаещ
Регистриран на: Вторник, 26.05.2009 г. 09:23 ч. Мнения: 23 Местоположение: Стара Загора
Automobile: Wartburg 353
|
 Re: Wartburg 353 W
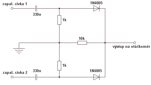
Колега, автомобила ти изглежда много добре. Поздрави за идеално свършената работа. Относно оборотомера, и аз минах през същия проблем с колебанията, разковничето е в диодите. най-късно утре ще издиря какви точно бяха и ще пиша  PS: мисля, че това беше схемата, само, че нямаше такива диоди и ползвах 1N4007 първо бях пробвал с тази, и ефекта беше колебаеща се стрелка. ако има значение оборотомера ми е VDO, не съм пробвал с руски.
|
| Понеделник, 01.02.2010 г. 00:32 ч. |
|
 |
|
ki6o
Научи се как се сипва масло
Регистриран на: Събота, 09.02.2008 г. 23:27 ч. Мнения: 35 Местоположение: Нова Загора
|
 Re: Wartburg 353 W
|
| Понеделник, 01.02.2010 г. 23:20 ч. |
|
|