Напиши нова тема Отговори на тема  [ 19 мнения ]  Отиди на страница 1, 2  Следваща
Wartburg 353 W 
Автор Съобщение
Научи се как се сипва масло
Аватар

Регистриран на: Събота, 09.02.2008 г. 23:27 ч.
Мнения: 35
Местоположение: Нова Загора
Мнение Wartburg 353 W
Здравейте колеги, в тази тема ще ви покажа моя вартбург 353 произведен 1988г. собственост на покоиния ми вече дядо. Колата измина дълъг път от 2007 година до сега. Направиха се много ремонти както по купето така и по двигателя.
Ето и малко характеристики: на 65 000 километра от завод (стояла дълго време на село) след основен ремонт на двигателя и пълна реставрация на купето. Надявам се да ви хареса! :D :D :D Снимките са разбъркани но ще ви дадат представа за работата вложена в колата :D ПОЗДРАВИ Кристиян от Нова Загора [smilie=2beers]
http://kishuto.snimka.bg/automobiles/wartburga.468128


Прикачени файлове:
011968415.jpg
011968415.jpg [ 71.64 KiB | Прегледано 20420 пъти ]


Последна промяна ki6o на Петък, 29.01.2010 г. 22:19 ч., променена общо 1 път
Петък, 29.01.2010 г. 22:13 ч.
Профил
Кара стар Wartburg
Аватар

Регистриран на: Петък, 26.12.2008 г. 18:00 ч.
Мнения: 293
Местоположение: Пловдив
Automobile: Wartburg-353
Мнение Re: Wartburg 353 W
Много е готин колега цветът е страхотен от каква кола са ти броните


Петък, 29.01.2010 г. 22:58 ч.
Профил
Wing Tsun Fighter
Аватар

Регистриран на: Понеделник, 19.01.2009 г. 17:15 ч.
Мнения: 225
Местоположение: Пловдив
Мнение Re: Wartburg 353 W
Еха. Този Вартбург много радва окото.

_________________
Нормалните хора вярват, че ако нещо не работи, значи не е направено добре. Инженерите вярват, че ако нещо не работи, просто още не е довършено.


Петък, 29.01.2010 г. 23:05 ч.
Профил
Оня с бегачката
Аватар

Регистриран на: Сряда, 29.04.2009 г. 17:59 ч.
Мнения: 82
Местоположение: Пазарджик
Skype: popov1300
Automobile: Wartburg 1.3
Мнение Re: Wartburg 353 W
Колега значи искам да те попитам някои работи, значи видях че оборотомера ти е от лада и аз имам такъв но незная как да го свържа ако може да ми кажеш как си го вързал, другият ми въпрос е от каква кола е бронята. Иначе вартбурга ти е страхотен. [smilie=2beers]

_________________
На него му викат: Оня с бегачката Изображение


Петък, 29.01.2010 г. 23:10 ч.
Профил
Научи се как се сипва масло
Аватар

Регистриран на: Събота, 09.02.2008 г. 23:27 ч.
Мнения: 35
Местоположение: Нова Загора
Мнение Re: Wartburg 353 W
Ами колега броните са си от Вартбург 1.3 (от Ивака [smilie=2beers] ) . Оборотомера съм го вързал за двете бобини и после с 2 диода вързани 2 към 1 и от там кабел към оборотомера, ама се колебае и някои път не отчита правилно :!: [smilie=2beers]


Петък, 29.01.2010 г. 23:16 ч.
Профил
Regular User
Аватар

Регистриран на: Събота, 09.02.2008 г. 02:12 ч.
Мнения: 1090
Местоположение: Stara Zagora
Automobile: Wartburg 353S
Мнение Re: Wartburg 353 W
Евала на Кристиян, добре го е стегнал ханса. Машината съм я виждал на живо, помагал съм със съвети и части, а откакто му пипнах центровката и карбуратора вече освен че вади вид, и върви много прилично :)


Събота, 30.01.2010 г. 02:05 ч.
Профил
Научи се как се сипва масло
Аватар

Регистриран на: Събота, 09.02.2008 г. 23:27 ч.
Мнения: 35
Местоположение: Нова Загора
Мнение Re: Wartburg 353 W
Напълно вярно :!: мерси отново. Просто и трябвше за да стане както трябва :D Очаквам следвашия събор и живот и здраве съм задължителен участник :D :D :D


Събота, 30.01.2010 г. 12:26 ч.
Профил
Regular User
Аватар

Регистриран на: Събота, 09.02.2008 г. 02:12 ч.
Мнения: 1090
Местоположение: Stara Zagora
Automobile: Wartburg 353S
Мнение Re: Wartburg 353 W
Ти взе ли книжката вече? Що не наминеш към зарата с машината да се видим?


Събота, 30.01.2010 г. 14:47 ч.
Профил
Научи се как се сипва масло
Аватар

Регистриран на: Събота, 09.02.2008 г. 23:27 ч.
Мнения: 35
Местоположение: Нова Загора
Мнение Re: Wartburg 353 W
Много бих искал ама още нямам книжка :? започнах курсовете и живот и здраве след 2 месеца ще имам вече :D :D :D


Събота, 30.01.2010 г. 15:33 ч.
Профил
Regular User
Аватар

Регистриран на: Събота, 09.02.2008 г. 02:12 ч.
Мнения: 1090
Местоположение: Stara Zagora
Automobile: Wartburg 353S
Мнение Re: Wartburg 353 W
Тоя форум е много зле... - по адрес на разни кочини спрени от движение, без номера и с неплащани данъци се сипят редица коментари от сорта на "супер е" или "бахти запазената кола", а на коли като тази дето собственика си е счупил ръцете от работа по нея всеки се прави че не ги забелязва....


Неделя, 31.01.2010 г. 00:50 ч.
Профил
Начинаещ

Регистриран на: Събота, 04.10.2008 г. 13:38 ч.
Мнения: 5
Местоположение: София
Automobile: вартбург 353
Мнение Re: Wartburg 353 W
Колата имах възможност да я видя лично на събора, май месец миналата година и мога да кажа, че наистина автомобила изглежда много добре на вид (външен и вътрешен), радва окото.Виждаше се, че в автомобила наистина е вложен много труд и желание. Може би ако се сложат едни калобрани на колата, ще изглежда още по-добре, но това, той си решава. Да имаш много без аварийни километри с вартбурга (и в шофьорската си практика като цяло).Евала за волята и труда!


Неделя, 31.01.2010 г. 01:11 ч.
Профил
Научи се как се сипва масло
Аватар

Регистриран на: Събота, 09.02.2008 г. 23:27 ч.
Мнения: 35
Местоположение: Нова Загора
Мнение Re: Wartburg 353 W
Мерси колега :) виж за калобраните не съм се сетил ама може да сложа мерси отново :D :D


Неделя, 31.01.2010 г. 01:19 ч.
Профил
Научи се как се сипва масло
Аватар

Регистриран на: Неделя, 02.03.2008 г. 00:09 ч.
Мнения: 41
Мнение Re: Wartburg 353 W
Браво колега , добра работа си свършил :wink:

_________________
Наказание на Позьор с БМВ http://vbox7.com/play:ef592244 след втората гонка си тръгна ревешката. Обещавам повече да не правя така.


Неделя, 31.01.2010 г. 22:46 ч.
Профил
Начинаещ
Аватар

Регистриран на: Вторник, 26.05.2009 г. 09:23 ч.
Мнения: 23
Местоположение: Стара Загора
Automobile: Wartburg 353
Мнение Re: Wartburg 353 W
Колега, автомобила ти изглежда много добре.
Поздрави за идеално свършената работа.
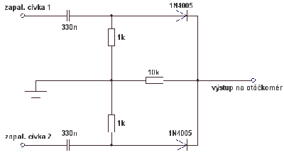
Относно оборотомера, и аз минах през същия проблем с колебанията, разковничето е в диодите. най-късно утре ще издиря какви точно бяха и ще пиша ;)

PS: мисля, че това беше схемата, само, че нямаше такива диоди и ползвах 1N4007
Прикачени файлове:
otackomer.gif
otackomer.gif [ 4.83 KiB | Прегледано 20371 пъти ]


първо бях пробвал с тази, и ефекта беше колебаеща се стрелка.
Прикачени файлове:
otackomer2.jpg
otackomer2.jpg [ 10.61 KiB | Прегледано 21244 пъти ]

ако има значение оборотомера ми е VDO, не съм пробвал с руски.


Понеделник, 01.02.2010 г. 00:32 ч.
Профил
Научи се как се сипва масло
Аватар

Регистриран на: Събота, 09.02.2008 г. 23:27 ч.
Мнения: 35
Местоположение: Нова Загора
Мнение Re: Wartburg 353 W
Колега мерси за схемата [smilie=2beers] ама хич не ги разбирам :? можеш ли ако ти се занимава да обясниш или да напишеш върху самата схема какво е C 1 знам какво да купувам :wink: :wink: :wink:


Понеделник, 01.02.2010 г. 23:20 ч.
Профил
Покажи мненията от миналия:  Сортирай по  
Напиши нова тема Отговори на тема  [ 19 мнения ]  Отиди на страница 1, 2  Следваща


Кой е на линия

Потребители разглеждащи този форум: 0 регистрирани и 1 госта


Вие не можете да пускате нови теми
Вие не можете да отговаряте на теми
Вие не можете да променяте собственото си мнение
Вие не можете да изтривате собствените си мнения
Вие не можете да прикачвате файл

Търсене:
Иди на:  
cron
Цени на горивата от www.lukoil.bg:

Powered by phpBB © phpBB Group.
Designed by Vjacheslav Trushkin for Free Forum/DivisionCore.
Преведено от: SEO блог на Йоан Арнаудов